MMS-116 Series
Precision in a Flat Housing
Our reed sensors in the flat housing of the MMS 116 series offer a reliable solution for space-saving applications and ensure precise results in demanding operating environments.
Do You Need a Custom Solution?
Custom Adaptations:
• Dimensions and shape
• Magnetic sensitivity
• Operating temperature
• Connection types
• Housing material
• Mounting / modification
Areas of application
Position Control, Contactless Switching
Features
Magnetically operated proximity sensor
Individually defined sensitivity
Screw mounting
Customized adjustments possible
Can be operated through non-ferrous materials, e.g., wood, plastic, or aluminum
Series characteristics
Product Information for the Series
A reed contact-based magnetic sensor with normally open, normally closed, or changeover contact.
The robust flat housing allows screw or adhesive mounting and is available in different cable lengths, sensitivity levels, and connector variants.
The sensor can be magnetically activated—even through non-ferrous materials such as wood, plastic, or aluminum—and can be customized in sensitivity and design. Ideal for contactless switching and reliable position control in demanding applications.
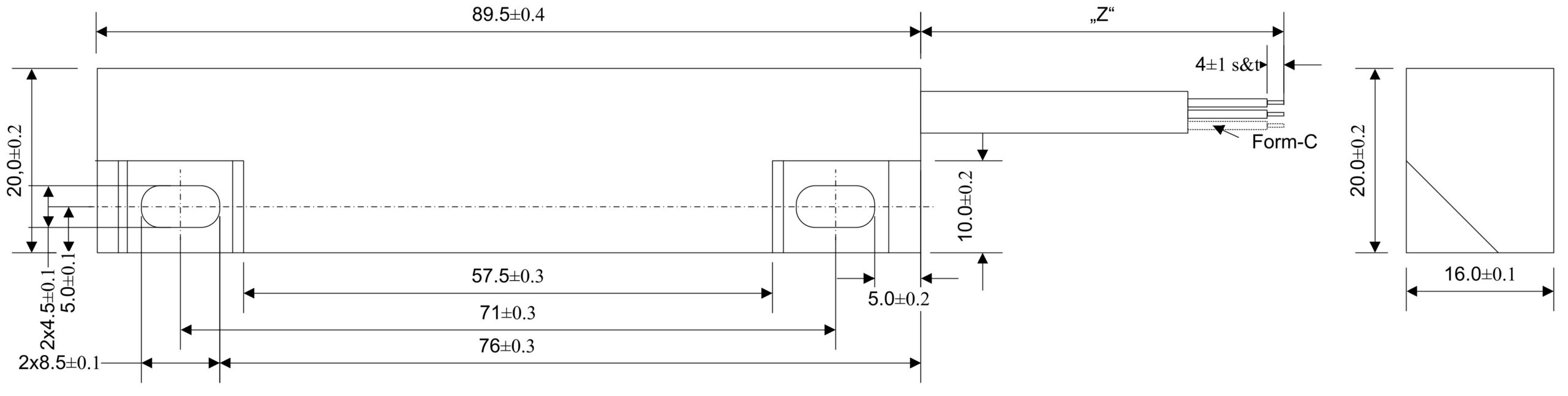
Dimensions: L 90 × W 20 × H 16 mm
Cable outlet: right
Contact form: A/B/C
Sensitivity: 7 … 90 AT
Switching power: 5 W … 250 W
Switching current: 0.25 A … 5.0 A
Continuous current: 1.0 A … 5.0 A
Voltage withstand: 200 … 2000 VDC
Approval
REACH; RoHS
Variant characteristics
Dimensions: L 90 × W 20 × H 16 mm
Cable outlet: right
| MMS-116 -3 | MMS-116 -4 | MMS-116 -5 | MMS-116 -6 | MMS-116 -7 | MMS-116 -8 | MMS-116 -9 | MMS-116 -10 | |
|---|---|---|---|---|---|---|---|---|
| Contact Form | A-Normally Open | B-Normally Closed | C-Changeover | A-Normally Open | B-Normally Closed | C-Changeover | A-Normally Open | A-Normally Open |
| Operating Temperature | –10°C … +105°C | –10°C … +105°C | –10°C … +105°C | –10°C … +105°C | –10°C … +105°C | –10°C … +105°C | –10°C … +105°C | –10°C … +105°C |
| Sensitivity | 15 … 40 AT | 10 … 35 AT | 10 … 35 AT | 45 … 90 AT | 60 … 90 AT | 60 … 90 AT | 7 … 30 AT | 15 … 35 AT |
| Switching Power | 50 W | 5 W | 5 W | 250 W | 60 W | 60 W | 10 W | 10 W |
| Switching Current | 1.0 A | 0.25 A | 0.25 A | 5.0 A | 1.0 A | 1.0 A | 0.5 A | 0.5 A |
| Switching Voltage VDC | 250 VDC | 175 VDC | 175 VDC | 250 VDC | 400 VDC | 400 VDC | 200 VDC | 1000 VDC |
| Switching Voltage VAC | 265 VAC | 125 VAC | 125 VAC | 250 VAC | 400 VAC | 400 VAC | 140 VAC | 265 VAC |
| Continuous Current | 3.0 A | 1.5 A | 1.5 A | 5.0 A | 2.0 A | 2.0 A | 1.0 A | 1.3 A |
| Voltage Withstand | 750 VDC | 200 VDC | 200 VDC | 700 VDC | 1000 VDC | 1000 VDC | 200 VDC | 2000 VDC |
| Small quantities & samples | Please inquire directly | |||||||
| Property | MMS-116 -3 | MMS-116 -4 | MMS-116 -5 | MMS-116 -6 | MMS-116 -7 | MMS-116 -8 | MMS-116 -9 | MMS-116 -10 |
|---|---|---|---|---|---|---|---|---|
| Contact Form | A-Normally Open | B-Normally Closed | C-Changeover | A-Normally Open | B-Normally Closed | C-Changeover | A-Normally Open | A-Normally Open |
| Operating Temperature | –10°C … +105°C | –10°C … +105°C | –10°C … +105°C | –10°C … +105°C | –10°C … +105°C | –10°C … +105°C | –10°C … +105°C | –10°C … +105°C |
| Sensitivity | 15 … 40 AT | 10 … 35 AT | 10 … 35 AT | 45 … 90 AT | 60 … 90 AT | 60 … 90 AT | 7 … 30 AT | 15 … 35 AT |
| Switching Power | 50 W | 5 W | 5 W | 250 W | 60 W | 60 W | 10 W | 10 W |
| Switching Current | 1.0 A | 0.25 A | 0.25 A | 5.0 A | 1.0 A | 1.0 A | 0.5 A | 0.5 A |
| Switching Voltage VDC | 250 VDC | 175 VDC | 175 VDC | 250 VDC | 400 VDC | 400 VDC | 200 VDC | 1000 VDC |
| Switching Voltage VAC | 265 VAC | 125 VAC | 125 VAC | 250 VAC | 400 VAC | 400 VAC | 140 VAC | 265 VAC |
| Continuous Current | 3.0 A | 1.5 A | 1.5 A | 5.0 A | 2.0 A | 2.0 A | 1.0 A | 1.3 A |
| Voltage Withstand | 750 VDC | 200 VDC | 200 VDC | 700 VDC | 1000 VDC | 1000 VDC | 200 VDC | 2000 VDC |
| Small quantities & samples | Please inquire directly | |||||||
◀ Please scroll table sideways ▶
Matching accessories
Actuating magnet

MMA-102
L 23 × W 13.9 × H 5.9 mm

MMA-104
L 28 × W 19 × H 6.9 mm

MMA-105
L 37 × W 13 × H 8 mm

MMA-110
L 19 × W 11.3 × H 4.5 mm

MMA-113
L 32 x W 10 x H 6.2 mm

MMA-115
L 22 × W 13 × H 4.5 mm

MMA-116
L 89.5 × W 20 × H 16 mm

MMA-117
L 25 × W 14 × H 6.4 mm
