MMS-110 Series
Precision in a Flat-Pack Housing
Our MMS 110 series flat-pack reed sensors offer a reliable solution for space-saving applications and ensure precise results in demanding environments.
Do you need a customized solution?
Customization options:
• Dimensions and shape
• Magnetic sensitivity
• Operating temperature
• Connection types
• Housing material
• Mounting / Modification
Areas of application
Position Control, Contactless Switching
Features
Magnetically operated proximity sensor
Individually defined sensitivity
Screw mounting
Customized adjustments possible
Can be operated through non-ferrous materials, e.g., wood, plastic, or aluminum
Series characteristics
A reed switch-based magnetic sensor with a normally open or normally closed contact.
The compact housing design allows for screw or adhesive mounting and is available in various cable lengths, sensitivity levels, and connector options.
The magnetically activated proximity sensor can be operated through non-ferrous materials such as wood, plastic, or aluminum.
Sensitivity and design can be individually customized. Ideally suited for non-contact switching and precise position control.
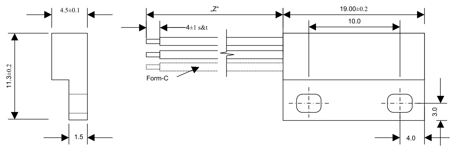
Dimensions: L 19 × W 11.3 × H 4.5 mm
Cable exit: left
Contact form: A/B
Operating temperature: –20 °C … +80 °C
Sensitivity: 7 … 25 AT
Switching capacity: 3 W … 10 W
Switching current: 0.2 A … 0.5 A
Continuous current: 0.5 A
Dielectric strength: 100 … 250 VDC
Approval
REACH; RoHS
Variant characteristics
Dimensions: L 19 × W 11.3 × H 4.5 mm
Cable exit: left
| MMS-110 -1 | MMS-110 -11 | MMS-110 -12 | |
|---|---|---|---|
| Contact form | A-Normally Open | B-Normally Closed | B-Normally Closed |
| Operating temperature | –20 °C … +80 °C | –20 °C … +80 °C | –20 °C … +80 °C |
| Sensitivity | 7 … 25 AT | 10 … 25 AT | 10 … 25 AT |
| Switching capacity | 10 W | 3 W | 3 W |
| Switching current | 0.5 A | 0.2 A | 0.2 A |
| Switching voltage VDC | 200 VDC | 100 VDC | 100 VDC |
| Switching voltage VAC | 140 VAC | 100 VAC | 100 VAC |
| Continuous current | 0.5 A | 0.5 A | 0.5 A |
| Dielectric strength | 250 VDC | 100 VDC | 100 VDC |
| Small quantities & samples |
|
Please inquire directly | Please inquire directly |
| MMS-110 -1 | MMS-110 -11 | MMS-110 -12 | |
|---|---|---|---|
| Contact form | A-Normally Open | B-Normally Closed | B-Normally Closed |
| Operating temperature | –20 °C … +80 °C | –20 °C … +80 °C | –20 °C … +80 °C |
| Sensitivity | 7 … 25 AT | 10 … 25 AT | 10 … 25 AT |
| Switching capacity | 10 W | 3 W | 3 W |
| Switching current | 0.5 A | 0.2 A | 0.2 A |
| Switching voltage VDC | 200 VDC | 100 VDC | 100 VDC |
| Switching voltage VAC | 140 VAC | 100 VAC | 100 VAC |
| Continuous current | 0.5 A | 0.5 A | 0.5 A |
| Dielectric strength | 250 VDC | 100 VDC | 100 VDC |
| Small quantities & samples |
|
Please inquire directly | Please inquire directly |
◀ Please scroll table sideways ▶
Matching accessories
Actuating magnet

MMA-102
L 23 × W 13.9 × H 5.9 mm

MMA-104
L 28 × W 19 × H 6.9 mm

MMA-105
L 37 × W 13 × H 8 mm

MMA-110
L 19 × W 11.3 × H 4.5 mm

MMA-113
L 32 x W 10 x H 6.2 mm

MMA-115
L 22 × W 13 × H 4.5 mm

MMA-116
L 89.5 × W 20 × H 16 mm

MMA-117
L 25 × W 14 × H 6.4 mm
