MMS-101 Series
Precision in a Flat Housing
Our MMS 101 series reed sensors in a flat housing provide a reliable solution for space-saving applications and ensure precise results in demanding operating environments.
Do you require a custom solution?
Individual Customizations:
• Dimensions and shape
• Magnetic sensitivity
• Operating temperature
• Connection types
• Housing material
• Mounting / modification
Application Areas
Position control, contactless switching
Features
Magnetically operated proximity sensor
Individually defined sensitivity
Screw mounting
Custom adaptations possible
Can be operated through non-ferrous materials, e.g., wood, plastic, or aluminum
Series Characteristics
Product information for the series
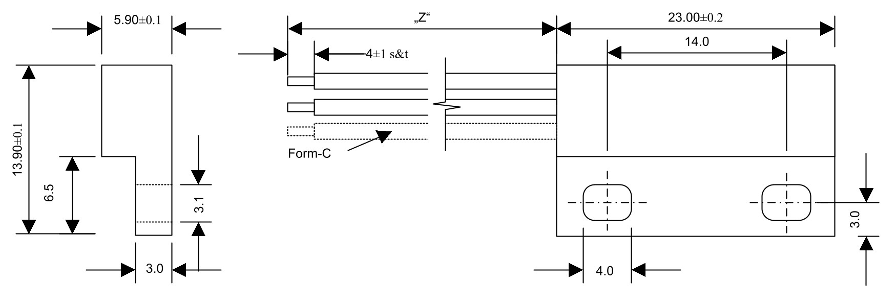
Reed contact-based magnetic sensors with a normally open or normally closed contact. The housing design allows screw or adhesive mounting. Available with different cable lengths as well as sensitivity and connector options.
Cable outlet: left
Contact form: A/B/C
Continuous current: 1.0 A … 1.5 A
Approval
REACH; RoHS
Variant Characteristics
Cable outlet: left
| MMS-101 -1 | MMS-101 -2 | MMS-101 -4 | MMS-101 -5 | MMS-101 -9 | |
|---|---|---|---|---|---|
| Contact form | A-Normally open | A-Normally open | B-Normally closed | C-Changeover | A-Normally open |
| Operating temperature | –20°C … +105°C | –20°C … +105°C | –20°C … +105°C | –20°C … +105°C | –20°C … +105°C |
| Sensitivity | 7 … 30 AT | 15 … 30 AT | 10 … 35 AT | 10 … 35 AT | 7 … 30 AT |
| Switching power | 10 W | 10 W | 5 W | 5 W | 10 W |
| Switching current | 0.5 A | 0.4 A | 0.25 A | 0.25 A | 0.5 A |
| Switching voltage VDC | 200 VDC | 200 VDC | 175 VDC | 175 VDC | 200 VDC |
| Switching voltage VAC | 140 VAC | 265 VAC | 125 VAC | 125 VAC | 140 VAC |
| Continuous current | 1.0 A | 1.4 A | 1.5 A | 1.5 A | 1.0 A |
| Dielectric strength | 250 VDC | 400 VDC | 200 VDC | 200 VDC | 200 VDC |
| Small quantities & samples |
| MMS-101 -1 | MMS-101 -2 | MMS-101 -4 | MMS-101 -5 | MMS-101 -9 | |
|---|---|---|---|---|---|
| Contact form | A-Normally open | A-Normally open | B-Normally closed | C-Changeover | A-Normally open |
| Operating temperature | –20°C … +105°C | –20°C … +105°C | –20°C … +105°C | –20°C … +105°C | –20°C … +105°C |
| Sensitivity | 7 … 30 AT | 15 … 30 AT | 10 … 35 AT | 10 … 35 AT | 7 … 30 AT |
| Switching power | 10 W | 10 W | 5 W | 5 W | 10 W |
| Switching current | 0.5 A | 0.4 A | 0.25 A | 0.25 A | 0.5 A |
| Switching voltage VDC | 200 VDC | 200 VDC | 175 VDC | 175 VDC | 200 VDC |
| Switching voltage VAC | 140 VAC | 265 VAC | 125 VAC | 125 VAC | 140 VAC |
| Continuous current | 1.0 A | 1.4 A | 1.5 A | 1.5 A | 1.0 A |
| Dielectric strength | 250 VDC | 400 VDC | 200 VDC | 200 VDC | 200 VDC |
| Small quantities & samples |
|
|
|
◀ Please scroll table horizontally ▶
Matching products
Actuating magnet

MMA-102
L 23 × W 13.9 × H 5.9 mm

MMA-104
L 28 × W 19 × H 6.9 mm

MMA-105
L 37 × W 13 × H 8 mm

MMA-110
L 19 × W 11.3 × H 4.5 mm

MMA-113
L 32 x W 10 x H 6.2 mm

MMA-115
L 22 × W 13 × H 4.5 mm

MMA-116
L 89.5 × W 20 × H 16 mm

MMA-117
L 25 × W 14 × H 6.4 mm
