MMS-117 Series
Precision in a Flat-Pack Design
Our MMS 117 series flat-pack reed sensors offer a reliable solution for space-saving applications and ensure precise results in demanding environments.
Do you need a customized solution?
Custom adaptations:
• Dimensions and shape
• Magnetic sensitivity
• Operating temperature
• Connection types
• Housing material
• Mounting / Modification
Areas of application
Position Control, Contactless Switching
Features
Magnetically Operated Proximity Sensor
Individually Defined Sensitivity
Screw Mounting
Customized adjustments possible
Can be operated through non-ferrous materials, e.g., wood, plastic, or aluminum
Series characteristics
A reed contact-based magnetic sensor with normally open, normally closed, or changeover contact.
The compact housing is designed for screw or adhesive mounting and is available in variable cable lengths, sensitivities, and connector options. The sensor can be actuated through non-ferrous materials such as wood, plastic, or aluminum; sensitivity and design can be customized. Ideal for non-contact switching and precise position control.
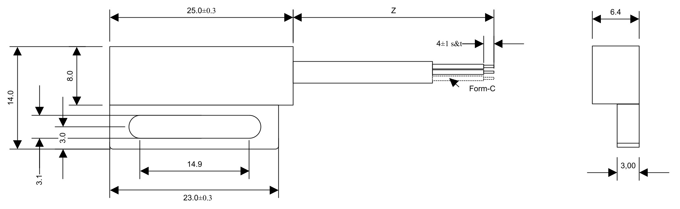
Dimensions: L 25 × W 14 × H 6.4 mm
Cable exit: right
Contact form: A/B/C
Operating temperature: –20°C … +105°C
Sensitivity: 7 … 35 AT
Switching power: 5 W … 10 W
Switching current: 0.25 A … 0.5 A
Continuous current: 1.0 A … 1.5 A
Dielectric strength: 200 VDC … 400 VDC
Approval
REACH; RoHS
Variant characteristics
Dimensions: L 25 × W 14 × H 6.4 mm
Cable exit: right
| MMS-117 -1 | MMS-117 -2 | MMS-117 -4 | MMS-117 -5 | MMS-117 -9 | |
|---|---|---|---|---|---|
| Contact Form | A-Normally Open | A-Normally Open | B-Normally Closed | C-Changeover | A-Normally Open |
| Operating Temperature | –20 °C … +105 °C | –20 °C … +105 °C | –20 °C … +105 °C | –20 °C … +105 °C | –20 °C … +105 °C |
| Sensitivity | 7...30 AT | 15...30 AT | 10...35 AT | 10...35 AT | 7...30 AT |
| Switching Power | 10 W | 10 W | 5 W | 5 W | 10 W |
| Switching Current | 0.5 A | 0.4 A | 0.25 A | 0.25 A | 0.5 A |
| Switching Voltage VDC | 200 VDC | 200 VDC | 175 VDC | 175 VDC | 200 VDC |
| Switching Voltage VAC | 140 VAC | 265 VAC | 125 VAC | 125 VAC | 140 VAC |
| Continuous Current | 1.0 A | 1.4 A | 1.5 A | 1.5 A | 1.0 A |
| Dielectric Strength | 250 VDC | 400 VDC | 200 VDC | 200 VDC | 200 VDC |
| Small quantities & samples | Please inquire directly | ||||
| Eigenschaft | MMS-117 -1 | MMS-117 -2 | MMS-117 -4 | MMS-117 -5 | MMS-117 -9 |
|---|---|---|---|---|---|
| Kontaktform | A-Schließer | A-Schließer | B-Öffner | C-Umschalter | A-Schließer |
| Arbeitstemperatur | –20 °C … +105 °C | –20 °C … +105 °C | –20 °C … +105 °C | –20 °C … +105 °C | –20 °C … +105 °C |
| Empfindlichkeit | 7...30 AT | 15...30 AT | 10...35 AT | 10...35 AT | 7...30 AT |
| Schaltleistung | 10 W | 10 W | 5 W | 5 W | 10 W |
| Schaltstrom | 0.5 A | 0.4 A | 0.25 A | 0.25 A | 0.5 A |
| Schaltspannung VDC | 200 VDC | 200 VDC | 175 VDC | 175 VDC | 200 VDC |
| Schaltspannung VAC | 140 VAC | 265 VAC | 125 VAC | 125 VAC | 140 VAC |
| Dauerstrom | 1.0 A | 1.4 A | 1.5 A | 1.5 A | 1.0 A |
| Spannungsfestigkeit | 250 VDC | 400 VDC | 200 VDC | 200 VDC | 200 VDC |
| Kleinmengen & Muster | Bitte direkt anfragen | ||||
◀ Please scroll table sideways ▶
Matching accessories
Actuating magnet

MMA-102
L 23 × W 13.9 × H 5.9 mm

MMA-104
L 28 × W 19 × H 6.9 mm

MMA-105
L 37 × W 13 × H 8 mm

MMA-110
L 19 × W 11.3 × H 4.5 mm

MMA-113
L 32 x W 10 x H 6.2 mm

MMA-115
L 22 × W 13 × H 4.5 mm

MMA-116
L 89.5 × W 20 × H 16 mm

MMA-117
L 25 × W 14 × H 6.4 mm
