MMS-115 Series
Precision in a Flat Housing
Our MMS 115 series flat pack reed sensors provide a reliable solution for space-saving applications and ensure precise results in demanding environments.
Do you require a customized solution?
Individual Adjustments:
• Dimensions and shape
• Magnetic sensitivity
• Operating temperature
• Connection types
• Housing material
• Mounting / Modification
Areas of application
Position Control, Contactless Switching
Features
Magnetically operated proximity sensor
Individually defined sensitivity
Screw mounting
Customized adjustments possible
Can be operated through non-ferrous materials, e.g., wood, plastic, or aluminum
Series characteristics
Series product information
A reed contact magnetic sensor with a choice of normally open, normally closed, or changeover contacts in a flat housing. The module can be attached via screw or adhesive mounting and is manufactured in various cable lengths, sensitivity ranges, and connection options.
The sensor is magnetically activated, even through non-ferrous materials such as wood, plastic, or aluminum, and its sensitivity can be customized to client specifications. Ideal for precise position control and non-contact switching in space-critical applications.
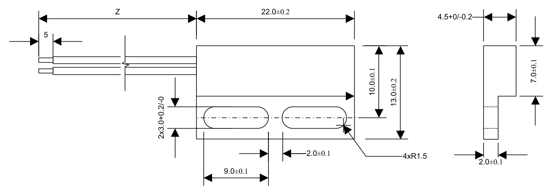
Dimensions: L 22 mm × W 13 mm × H 4.5 mm
Cable exit: left
Contact form: A/B/C
Operating temperature: –20°C … +105°C
Sensitivity: 7 … 35 AT
Switching capacity: 5 W … 10 W
Switching current: 0.25 A … 0.5 A
Carry current: 1.0 A … 1.5 A
Dielectric strength: 200 … 400 VDC
Approval
REACH; RoHS
Variant characteristics
Dimensions: L 22 mm × W 13 mm × H 4.5 mm
Cable exit: left
| MMS-115 -1 | MMS-115 -2 | MMS-115 -4 | MMS-115 -5 | MMS-115 -9 | |
|---|---|---|---|---|---|
| Contact form | A-Normally Open | A-Normally Open | B-Normally Closed | C-Changeover | A-Normally Open |
| Operating temperature | –20°C … +105°C | –20°C … +105°C | –20°C … +105°C | –20°C … +105°C | –20°C … +105°C |
| Sensitivity | 7 … 30 AT | 15 … 30 AT | 10 … 35 AT | 10 … 35 AT | 7 … 30 AT |
| Switching capacity | 10 W | 10 W | 5 W | 5 W | 10 W |
| Switching current | 0.5 A | 0.4 A | 0.25 A | 0.25 A | 0.5 A |
| Switching voltage VDC | 200 VDC | 200 VDC | 175 VDC | 175 VDC | 200 VDC |
| Switching voltage VAC | 140 VAC | 265 VAC | 125 VAC | 125 VAC | 140 VAC |
| Carry current | 1.0 A | 1.4 A | 1.5 A | 1.5 A | 1.0 A |
| Dielectric strength | 250 VDC | 400 VDC | 200 VDC | 200 VDC | 200 VDC |
| Small quantities & samples | Please inquire directly | ||||
| Property | MMS-115 -1 | MMS-115 -2 | MMS-115 -4 | MMS-115 -5 | MMS-115 -9 |
|---|---|---|---|---|---|
| Contact form | A-Normally Open | A-Normally Open | B-Normally Closed | C-Changeover | A-Normally Open |
| Operating temperature | –20°C … +105°C | –20°C … +105°C | –20°C … +105°C | –20°C … +105°C | –20°C … +105°C |
| Sensitivity | 7 … 30 AT | 15 … 30 AT | 10 … 35 AT | 10 … 35 AT | 7 … 30 AT |
| Switching capacity | 10 W | 10 W | 5 W | 5 W | 10 W |
| Switching current | 0.5 A | 0.4 A | 0.25 A | 0.25 A | 0.5 A |
| Switching voltage VDC | 200 VDC | 200 VDC | 175 VDC | 175 VDC | 200 VDC |
| Switching voltage VAC | 140 VAC | 265 VAC | 125 VAC | 125 VAC | 140 VAC |
| Carry current | 1.0 A | 1.4 A | 1.5 A | 1.5 A | 1.0 A |
| Dielectric strength | 250 VDC | 400 VDC | 200 VDC | 200 VDC | 200 VDC |
| Small quantities & samples | Please inquire directly | ||||
◀ Please scroll table sideways ▶
Matching accessories
Actuating magnet

MMA-102
L 23 × W 13.9 × H 5.9 mm

MMA-104
L 28 × W 19 × H 6.9 mm

MMA-105
L 37 × W 13 × H 8 mm

MMA-110
L 19 × W 11.3 × H 4.5 mm

MMA-113
L 32 x W 10 x H 6.2 mm

MMA-115
L 22 × W 13 × H 4.5 mm

MMA-116
L 89.5 × W 20 × H 16 mm

MMA-117
L 25 × W 14 × H 6.4 mm
